Intelligent Buildings Agents Laboratory (IBAL)¶
The IBAL is a mixed system lab at NIST that is able to test commercial equipment under simulated conditions. For more information, vist the IBAL Database.
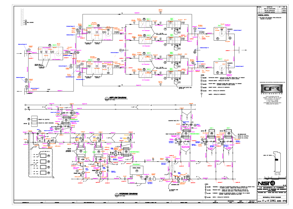
Schematic view¶

Downloads¶
What are these files?
Turtle file (original): This is the original source Turtle file that was provided to
models.open223.info, usually as the output of some model creation tool.Turtle file (compiled): This is the original Turtle file with all inferred relationships and values added through SHACL inference against the 223P ontology and other dependencies. You should use this file for any further processing. It does not contain any of the ontologies.
Turtle file (with all imports): This is the compiled Turtle file with all imports included in the file (223P ontology, QUDT ontology, and others). This is helpful when you do not want to deal with downloading and managing ontology dependencies. It is also much larger than the compiled file.
JSON-LD file (original): This is the original Turtle file converted to the JSON-LD format.
Turtle is a syntax for RDF (Resource Description Framework) that is easy to read and write. It is a popular format for representing linked data. Parsers and serializers are available in many programming languages. JSON-LD is a JSON-based format for linked data that is easy to use with JavaScript and other web technologies.
Queries¶
| Description | Query URL |
|---|---|
| Zone/room temperature sensors | Query Link |
| Search for all the sensors along the connections and the associated property they’re observing. | Query Link |
| Sensors in AHU1 and what units the properties are measured in | Query Link |
Model Components¶
Load and Validate Model¶
This code uses the BuildingMOTIF library to load the 223P ontology and the model file into a temporary in-memory instance. It then validates the model against the ontology. If the model is invalid, it will print the validation report.
To run this code, you need to have Java installed on your system. If you do not have Java installed, you can remove the shacl_engine='topquadrant' parameter from the BuildingMOTIF constructor.
Be warned that without the shacl_engine='topquadrant' parameter, the validation process will be slower.
BuildingMOTIF installation
To install the buildingmotif library, you can use the following command:
pip install 'buildingmotif[topquadrant] @ git+https://github.com/NREL/buildingmotif.git@develop'If you do not have Java installed, you can use the following command to install the library:
pip install 'buildingmotif @ git+https://github.com/NREL/buildingmotif.git@develop'from buildingmotif import BuildingMOTIF
from buildingmotif.dataclasses import Library, Model
import ontoenv
import logging
# Create a BuildingMOTIF object. If you do not have Java installed, remove the "shacl_engine" parameter
bm = BuildingMOTIF('sqlite://', shacl_engine='topquadrant', log_level=logging.ERROR)
# load 223P library. We will load a recent copy from the models.open223.info
# git repository; later, we will load this from the location of the actual standard
s223 = Library.load(ontology_graph="https://open223.info/223p.ttl", infer_templates=False, run_shacl_inference=False)
unit = Library.load(ontology_graph="http://qudt.org/3.1.1/vocab/unit", infer_templates=False, run_shacl_inference=False)
quantitykind = Library.load(ontology_graph="http://qudt.org/3.1.1/vocab/quantitykind", infer_templates=False, run_shacl_inference=False)
# load the model into the BuildingMOTIF instance
model = Model.create("urn:NIST-IBAL")
model.graph.parse("https://models.open223.info/NIST-IBAL.ttl")
# validate the model against 223P ontology
ctx = model.validate([s223.get_shape_collection(),
unit.get_shape_collection(),
quantitykind.get_shape_collection()],
error_on_missing_imports=False)
# print the validation result
print(f"Model is valid: {ctx.valid}")
# if the model is invalid, print the validation report
if not ctx.valid:
print(ctx.report_string[:1000]) # first 1000 characters of the report
# BuildingMOTIF can also interpret the report to provide recommendations on fixes
for focus_node, diffs in ctx.get_reasons_with_severity("Violation").items():
if len(diffs) == 0:
continue
print(focus_node)
for diff in diffs:
print(" - " + diff.reason())Model is valid: 0
Validation Report
Conforms: False
Validation Results (84):
--- Result 1 ---
Severity: sh:Warning
Focus Node: <http://example.org/IBAL#ch1_c_in_rtd>
Message: s223: An `ObservableProperty` is usually referred to by a `Sensor` using the relation `observes`.
Path: _:n546a3ea5e09f433a804ebc2c9ec40ce2b3
Source Constraint: sh:MinCountConstraintComponent
Source Shape: <urn:well-known/57cb2266>
--- Result 2 ---
Severity: sh:Warning
Focus Node: <http://example.org/IBAL#tmc1_out_rtd>
Message: s223: An `ObservableProperty` is usually referred to by a `Sensor` using the relation `observes`.
Path: _:n546a3ea5e09f433a804ebc2c9ec40ce2b5
Source Constraint: sh:MinCountConstraintComponent
Source Shape: <urn:well-known/57cb2266>
--- Result 3 ---
Severity: sh:Warning
Focus Node: <http://example.org/IBAL#tmc1_in_rtd>
Message: s223: An `ObservableProperty` is usually referred to by a `Sensor` using the relation `observes`.
Path: _:n546a3ea5e09f433a804ebc2c9ec40ce2b7
Source Constraint: sh:MinCountConstrai
http://data.ashrae.org/standard223#Numerical-NumberOfElectricalPhases
- http://qudt.org/vocab/quantitykind/NumberOfElectricalPhases on http://data.ashrae.org/standard223#Numerical-NumberOfElectricalPhases needs to be a http://qudt.org/schema/qudt/QuantityKind
http://data.ashrae.org/standard223#NumberOfElectricalPhases-SinglePhase
- http://qudt.org/vocab/quantitykind/NumberOfElectricalPhases on http://data.ashrae.org/standard223#NumberOfElectricalPhases-SinglePhase needs to be a http://qudt.org/schema/qudt/QuantityKind
http://data.ashrae.org/standard223#NumberOfElectricalPhases-ThreePhase
- http://qudt.org/vocab/quantitykind/NumberOfElectricalPhases on http://data.ashrae.org/standard223#NumberOfElectricalPhases-ThreePhase needs to be a http://qudt.org/schema/qudt/QuantityKind